Um novo material esponjoso, criado por cientistas chineses e testado ao ar livre, consegue transformar água salgada do mar em água potável usando apenas a luz do sol e uma simples tampa plástica. A inovação é uma promessa de dessalinização mais barata, limpa e acessível.
Siga o canal do Correio no WhatsApp e receba as principais notícias do dia no seu celular
A maior parte da água da Terra está nos oceanos e, por ser salgada, não serve para beber. Torná-la potável exige processos de dessalinização que, normalmente, consomem muita energia. Agora, pesquisadores desenvolveram um aerogel, tipo de material leve e poroso, capaz de fazer esse trabalho usando apenas a energia solar.
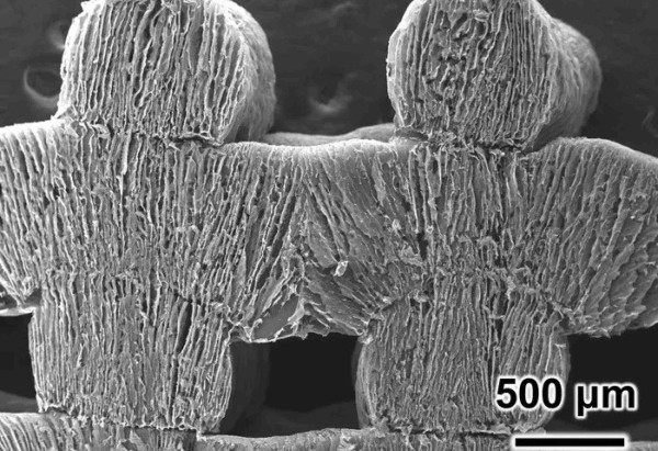
O funcionamento é simples e inteligente. A estrutura do material é feita com nanotubos de carbono e nanofibras de celulose. Com o uso de uma impressora 3D, os cientistas moldaram o aerogel com microfuros uniformes, o que garante que ele funcione de maneira eficiente mesmo em tamanhos maiores.
Eles testaram pedaços quadrados do material, variando em tamanho de um centímetro a cerca de oito centímetros, e descobriram que os pedaços maiores liberavam água por evaporação a taxas tão eficientes quanto os menores. Esse era um desafio em versões anteriores, quanto maior o material, pior o desempenho. Com essa nova técnica, a eficiência se mantém — ou seja, é possível escalonar o sistema sem perda de rendimento.
Para testar, os pesquisadores colocaram o aerogel dentro de um copo com água do mar e cobriram com uma tampa plástica curva e transparente. A luz solar aqueceu o material, fazendo com que apenas a água se transformasse em vapor, o sal ficou para trás. Esse vapor subiu, condensou na tampa e escorreu para um recipiente, resultando em água limpa. Após seis horas de exposição ao sol, o sistema produziu cerca de três colheres de sopa de água potável.
"Nosso aerogel permite dessalinização de capacidade total em qualquer tamanho. É uma solução simples e escalável para produzir água limpa sem depender de energia elétrica", disse o pesquisador Xi Shen, um dos pesquisadores do estudo.
Publicado na revista científica ACS Energy Letters, o estudo recebeu apoio da Fundação Nacional de Ciências Naturais da China e de instituições de Hong Kong. A tecnologia ainda está em fase experimental.
Saiba Mais
